Threaded Flange

Low Pressure Flanges

Threaded Flanges (Screwed)

The safe, efficient solution for piping systems where welding is hazardous or impossible.

SOTCO Threaded Flanges (also known as Screwed Flanges) feature a tapered internal thread that matches the external thread of the pipe. This allows for assembly without welding, making them perfect for explosive environments or areas where post-weld heat treatment is not feasible. While primarily used for low-pressure applications, they can be seal-welded for added security.

Key Benefit: Rapid installation and dismantling without specialized welding equipment, ideal for utility services like air and water.

NPT Threads
Zero Heat Zone
Safe Install

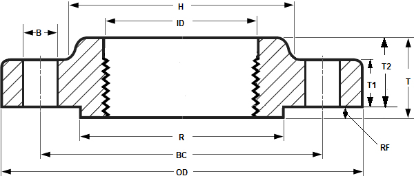
Threaded Flange Dimensions (Class 150)

Threaded Flange Diagram
Nominal Size
(NPS)
Flange Dimensions (in) Drilling (in)
OD T T1 T2 H ID R RF BC Holes Dia (B)
1/2" 3.50 0.62 0.44 0.62 1.19 0.84 1.38 0.06 2.38 4 0.62
3/4" 3.88 0.62 0.50 0.62 1.50 1.05 1.69 0.06 2.75 4 0.62
1" 4.25 0.69 0.56 0.69 1.94 1.32 2.00 0.06 3.12 4 0.62
1 1/4" 4.62 0.81 0.62 0.81 2.31 1.66 2.50 0.06 3.50 4 0.62
1 1/2" 5.00 0.88 0.69 0.88 2.56 1.90 2.88 0.06 3.88 4 0.62
2" 6.00 1.00 0.75 1.00 3.06 2.38 3.62 0.06 4.75 4 0.75
2 1/2" 7.00 1.12 0.88 1.12 3.56 2.88 4.12 0.06 5.50 4 0.75
3" 7.50 1.19 0.94 1.19 4.25 3.50 5.00 0.06 6.00 4 0.75
4" 9.00 1.31 0.94 1.31 5.31 4.50 6.19 0.06 7.50 8 0.75

Technical Specifications

Design Standards ANSI B16.5, ANSI B16.47, MSS SP44, API-605, AWWA
Size Range Standard: 1/2″ - 24″ Custom: Up to 48"
Pressure Ratings ASME: Class 150, 300, 600, 900, 1500, 2500
DIN/PN: PN6, PN10, PN16, PN25, PN40, PN64
Thread Types NPT (National Pipe Thread) - Standard, BSP / BSPT (On Request)
Facing Types Raised Face (RF), Flat Face (FF), Ring Type Joint (RTJ)
Connection Type Screwed onto pipe (No Welding Required)

Available Material Grades

CS

Carbon Steel

ASTM A105 / A105N

ASTM A350 LF2

ASTM A694 F42 - F70

SS

Stainless Steel

ASTM A182 F304/L

ASTM A182 F316/L

ASTM A182 F321, F347

AS

Alloy Steel

ASTM A182 F11, F22

ASTM A182 F5, F9

ASTM A182 F91

Ni

Exotic Alloys

Duplex / Super Duplex

Inconel, Monel

Hastelloy C276

Why Choose SOTCO?

Hazard Safe

Eliminates welding, making it perfect for explosive or flammable environments.

Rapid Install

Screw-on design allows for fast assembly and disassembly during maintenance.

Clean Finish

CNC machined threads ensure a leak-proof seal and smooth engagement.